卡盘商城欢迎您!
微信公众号
扫一扫关注
收藏本站
服务热线:
13760394166
网站首页
关于我们
千岛卡盘
亿川卡盘
丽勋顶针
案例展示
产品资料
联系我们
您现在的位置:
首页
>>
千岛卡盘
>>
钢壳/欧规卡盘
1949℃
收藏
分享
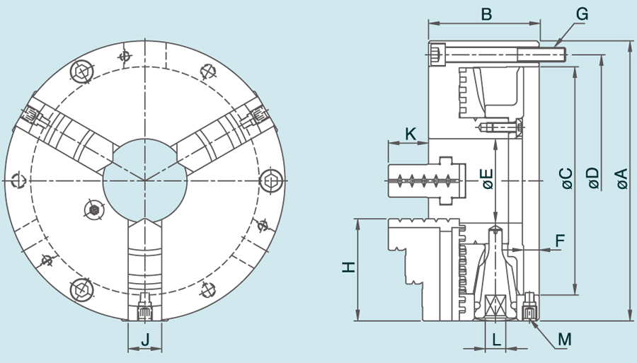
CT 可调 式普通三爪钢壳卡盘
品牌:
台湾千岛
动力:
手动
爪数:
三爪
型号:
台湾千岛系列
产品介绍
图纸下载
可调式普通型三爪钢壳卡盘图纸
可調式普通型三爪鋼殼夾頭资料
CT_Cal.pdf